Feedback
Flexi+ innfelt 1,5 brannboks, godkjent for brannklassifiserte vegger EI30 eller EI60. Ved montering av bokser på hver side av veggen, skal disse sideforskyves minimum 20 cm sideveis. For EI90 vegger skal boksene forskyves 20cm på samme vegg for å opprettholde brannklassifiseringen.
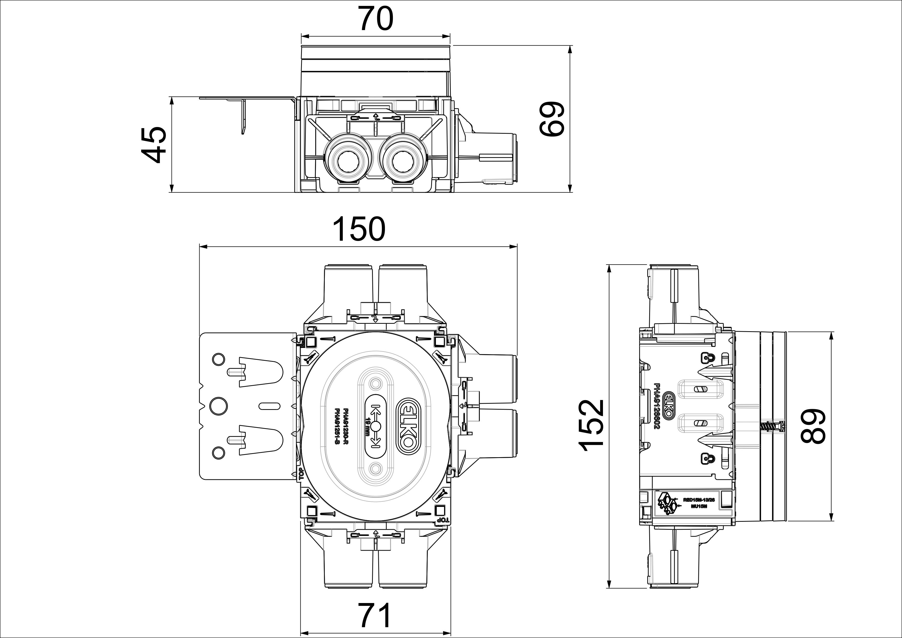
Brannboksen skal festes med stenderfeste eller festebrakett tilpasset veggtykkelsen. Se kombinasjoner for godkjente bokskombinasjoner.
Hulltaging for veggboksen må ikke overstige 74mm og skal utføres med hullsag. Sentrering av veggboksen i boret hull skal tilstrebes.
Flexi+ innfelt 1,5 boks med 6 løp for 26mm plate. Boksen er påmontert 2 stk utforingsringer 6mm for bruk med dobbelplate. Veggboksen har 20mm stusser med reduksjon til 16mm, og leveres med pusselokk og propper. Ved boring av hull til 1,5 boksen brukes mal for utfresning (El.nr.: 88 147 57)
Boksene har integrert kort skjøtestykke for enkelt å kunne lage bokskombinasjoner, langt skjøtestykke leveres som tilbehør. Flex+ har et stort tilbehørssortiment for enkelt å kunne tilpasse boksen til alle installasjoner.
1,5 boksen kan benyttes til alle doble stikkontakter fra ELKO, men må benyttes for å kunne montere ELKO lavtbyggende stikkontakter i RS, Plus eller Option design.
Boks for innfelling:
Diameter: Ø71mm
Festeskruer: C-C 60mm
Halogenfri: Ja
Glødetrådtestet 850°C
Sertifisert: NEMKO,SEMKO, FIMKO
Hullfres: 73mm
Platetykkelse: 26mm
Kapslingsgrad: IP30
Godkjent for bruk i brannklassifiserte vegger: RISE C900152
Se bruksanvisning og godkjenningsdokument for ytterligere informasjon.
Brannboksen skal festes med stenderfeste eller festebrakett tilpasset veggtykkelsen. Se kombinasjoner for godkjente bokskombinasjoner.
Hulltaging for veggboksen må ikke overstige 74mm og skal utføres med hullsag. Sentrering av veggboksen i boret hull skal tilstrebes.
Flexi+ innfelt 1,5 boks med 6 løp for 26mm plate. Boksen er påmontert 2 stk utforingsringer 6mm for bruk med dobbelplate. Veggboksen har 20mm stusser med reduksjon til 16mm, og leveres med pusselokk og propper. Ved boring av hull til 1,5 boksen brukes mal for utfresning (El.nr.: 88 147 57)
Boksene har integrert kort skjøtestykke for enkelt å kunne lage bokskombinasjoner, langt skjøtestykke leveres som tilbehør. Flex+ har et stort tilbehørssortiment for enkelt å kunne tilpasse boksen til alle installasjoner.
1,5 boksen kan benyttes til alle doble stikkontakter fra ELKO, men må benyttes for å kunne montere ELKO lavtbyggende stikkontakter i RS, Plus eller Option design.
Boks for innfelling:
Diameter: Ø71mm
Festeskruer: C-C 60mm
Halogenfri: Ja
Glødetrådtestet 850°C
Sertifisert: NEMKO,SEMKO, FIMKO
Hullfres: 73mm
Platetykkelse: 26mm
Kapslingsgrad: IP30
Godkjent for bruk i brannklassifiserte vegger: RISE C900152
Se bruksanvisning og godkjenningsdokument for ytterligere informasjon.
- Artikkelnr: 1223830
- Lev.artikkelnr: EKO07419
- Ean artikkelnr: 7020160741905
- Materialklasse E12A818B
Tekniske data
- Forpakningsstørrelser: 1 Stk/25 Stk
- Produktserie: Flexi+
- Modell / utførelse: Enkelt
- For rør med diameter: 16/20 mm
- Form: Oval
- Antall medleverte stusser: 0
- Antall innføringer: 6
- Diameter: 0 mm
- Farge: Rød
- Utstyrt med: Monteringsplate
- Dybde: 69 mm
- Bredde: 150 mm
- Lengde: 152 mm
- Konstruksjonstype: Apparatboks
- Monteringsmetode: Innfelt
- Innvendig dybde: 68 mm
- Spesiell anvendelse: Brandbeskyttelse
- Beskyttelsesklasse IP: IP30
- Materiale: Plast
- Halogenfri: Ja
- Innløp bakfra: Nei
- Rørlåsing: Nei
- Antall poler i klemmen: 0
- Montering av apparat: Skrus
- Krokfeste for belysning: Nei
- Gjennomsiktig deksel: Nei
- Fastmontert klemme: Nei
- Maks ledertverrsnitt: 0 mm²
- Med avskjerming: Nei
- Med skruer: Ja
- Stuss: Andre
- Plomberbar: Nei
- Festing av deksel: Selvlåsende
- Lufttett: Nei
- Overflatebeskyttelse: Ubehandlet
- Kan kobles: Nei
- Gjennomføring gjennom tettenipper: Nei
- Gjennomføring gjennom rørstuss: Ja
- Gjennomføring gjennom trappemembran: Nei
- Kapslingsgjennomføring ved bryteåpning: Nei
- Valgfri rørlås: Nei
- For antall apparatinnsatser: 1
- Utrustet med dreibar ring: Ja
- Utførelse deksel: Blinddeksel/-plate
- Beskyttelsesgrad (NEMA): Andre
- Funksjonssikkerhet: Uten
- Med spikerfester: Nei
